B737 Cockpit Companion

B737 Cockpit Companion

Download on App Store
Spark by MWM logo
Logo of B737 Cockpit Companion

B737 Cockpit Companion: The Definitive Digital Resource for Professional Pilots

Master the NG, MAX, and Classics with Bill Bulfer’s legendary systems guides, interactive schematics, and deep technical insights designed for the professional flight deck.

Publisher

Flight Simulation Systems, LLC

Category

Education

Downloads

110K+

User Rating

4.8/5

Total Ratings

2K+

Locales

1

Precision at Your Fingertips

Discover the interface used by 110K+ users.

Interactive Boeing 737 cockpit layout showing various instrument panels and navigation buttons

Interactive Boeing 737 cockpit layout showing various instrument panels and navigation buttons

A detailed view of the B737 Cockpit Companion app showing an interactive circuit breaker panel for aircraft systems like ADIRU and AFCS.

A detailed view of the B737 Cockpit Companion app showing an interactive circuit breaker panel for aircraft systems like ADIRU and AFCS.

B737 Cockpit Companion app showing a detailed Primary Flight Display PFD at flight level 380

B737 Cockpit Companion app showing a detailed Primary Flight Display PFD at flight level 380

B737 Cockpit Companion app showing a Primary Flight Display and detailed Speed Tape technical reference

B737 Cockpit Companion app showing a Primary Flight Display and detailed Speed Tape technical reference

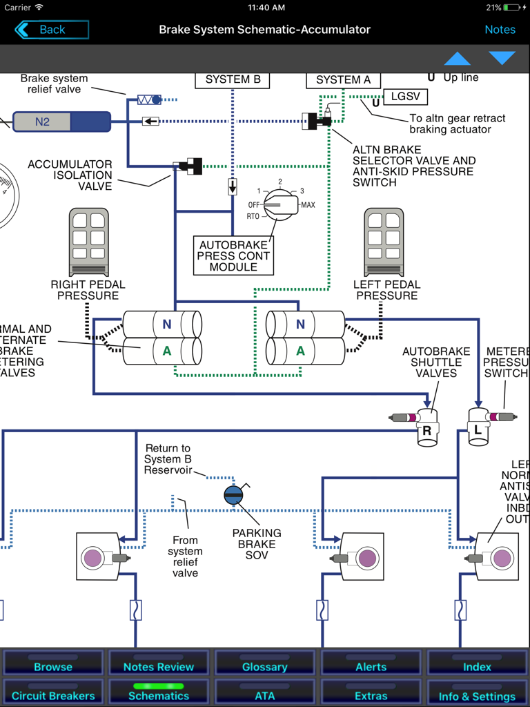
A detailed technical schematic of the Boeing 737 brake system accumulator within the B737 Cockpit Companion app.

A detailed technical schematic of the Boeing 737 brake system accumulator within the B737 Cockpit Companion app.

Master Your Aircraft with Unrivaled Technical Depth

The tools that make this app stand out, trusted by 110K+ users.

🗺️

Interactive Spatial Navigation

Skip the search in thousands of PDF pages. Tap any panel or control head in our high-resolution cockpit view to instantly surface deep-dive technical data.

⚙️

Advanced 'Theory of Operation'

Master the logic behind the automation. Our high-resolution vector schematics explain the mechanical and electrical plumbing that standard airline training omits.

🎓

Professional Proficiency Suite

Prepare for your next checkride with custom flashcards, a comprehensive alerts database, and a circuit breaker locator used by line pilots worldwide.

Loved by users worldwide

Trusted by 110K+ people who love this app.

"

"Bill Bulfer's guides have been in my flight bag for over 20 years. Transitioning to the iPad version was the best decision I've made for my flight kit. The ability to tap a panel and immediately see the underlying system logic is invaluable. It goes way beyond the 'need-to-know' manuals provided by the company, giving me the technical depth I need to truly understand the airframe."

Captain David Sterling, Major US Carrier
"

"I used this app extensively while preparing for my 737 MAX type rating. The high-resolution schematics and the built-in flashcards made complex system study much more manageable. Unlike a static PDF, the database engine lets me filter out clutter so I only see the configuration of the plane I'm actually flying. It is an essential tool for any junior officer."

Sarah Jenkins, First Officer

About the app

Everything you need to know about B737 Cockpit Companion.

Description

B737 Cockpit Companion for iPad is a conversion of Bill Bulfer's B737 NG Cockpit Companion book series to an iPad app. It covers the NG, Classics, and the 737 MAX. Since 1998, B737 Cockpit Companion has been a valued resource for airline pilots worldwide. It is a convenient accessible guide to systems, incorporating notes on functionality, "theory of operation", and Bill's extensive experience as a line pilot with a major US carrier. B737 Cockpit Companion steps far beyond the "need to know" philosophy that is characteristic of modern systems training, and which frustrates many line pilots. The app is much more than an "eBook." At its heart is a powerful database engine that allows a tremendous number of configuration options to be customized without forcing the user to wade through clutter: When you browse a control head, for instance, you will see only content related to that control head. The app features a touch-based navigation scheme, so you can start with the top-level cockpit view, and find notes specific to the panel you deal with. It also contains a number of reference options, so you can look up information without having to work through the control panels. The major features include: - Extensive coverage of the B737-600, -700, -800, -900, the BBJs, the 737 MAX, and the Classic EFIS/EIS. - The complete text of the B737 NG Cockpit Companion print version--and more. - All-new, high-resolution graphics detailing every panel and control head. - A note-taking capability. - The ability to create your own flashcards. - An extensive index of over 700 items, linked to the main text. - A circuit breaker locator. - Bill's high-resolution, vector-based schematics. - The content of the B737 Alerts app—a $15 value—optimized for the new database. - An extensive glossary. - A database update feature to help keep the database up to date (requires a wireless connection). Of interest to students or prospective pilots, we also include: - A sample Limitations function. - A sample Master Minimum Equipment List, based on FAA Rev 55a. - An ATA chapter database. As with all products of this type, this program is for informational purposes only. Your FAA-approved company flight manual is the final authority as to the safe and correct operation of your airplane. One optional in-app subscription, "Pro App", is available. This includes the text of FMC Guide, Bill Bulfer's book on the Flight Management System; and Quizzer. This is a convenient way of reviewing systems operation, and was written by Bill. Pro Pilot also includes a BITE CDU emulator and Airworthiness Directives. As we add new features, we will be adding them under Pro Pilot. • The subscription lasts one year. • Payment will be charged to your iTunes Account at confirmation of purchase • The subscription automatically renews unless auto-renew is turned off at least 24-hours before the end of the current period. • Your account will be charged for renewal within 24-hours prior to the end of the current period, and identify the cost of the renewal at the time. • Subscriptions may be managed by you, and auto-renewal may be turned off by going to your iTunes Account Settings in System Settings after purchase. NOTE: The app is generally supported for the current version of iOS, the previous version, and the iPad hardware that supports those versions. EULA: http://www.fss.aero/EULA.html

Latest Version

6.6.0

Size

2.0 GB

First Released

Nov 8, 2012

The Definitive B737 Reference, Ready for Your Next Flight

Join 110,000+ professional aviators who trust Bill Bulfer's legendary insights. Download the most comprehensive systems guide for the NG, MAX, and Classics to your iPad today.

Download on App Store